忍者ブログ

凝り性なB型管理人のつぶやき

☆記載内容に関して☆ 管理人一人で管理してます、記載内容は全て、管理人個人の見解と思い付き、よって個人主観の塊です、初めてお越しの方は、カテゴリーから『始めにお読み下さい』を、見ていただくと嬉しく思います。

[PR]

×

[PR]上記の広告は3ヶ月以上新規記事投稿のないブログに表示されています。新しい記事を書く事で広告が消えます。

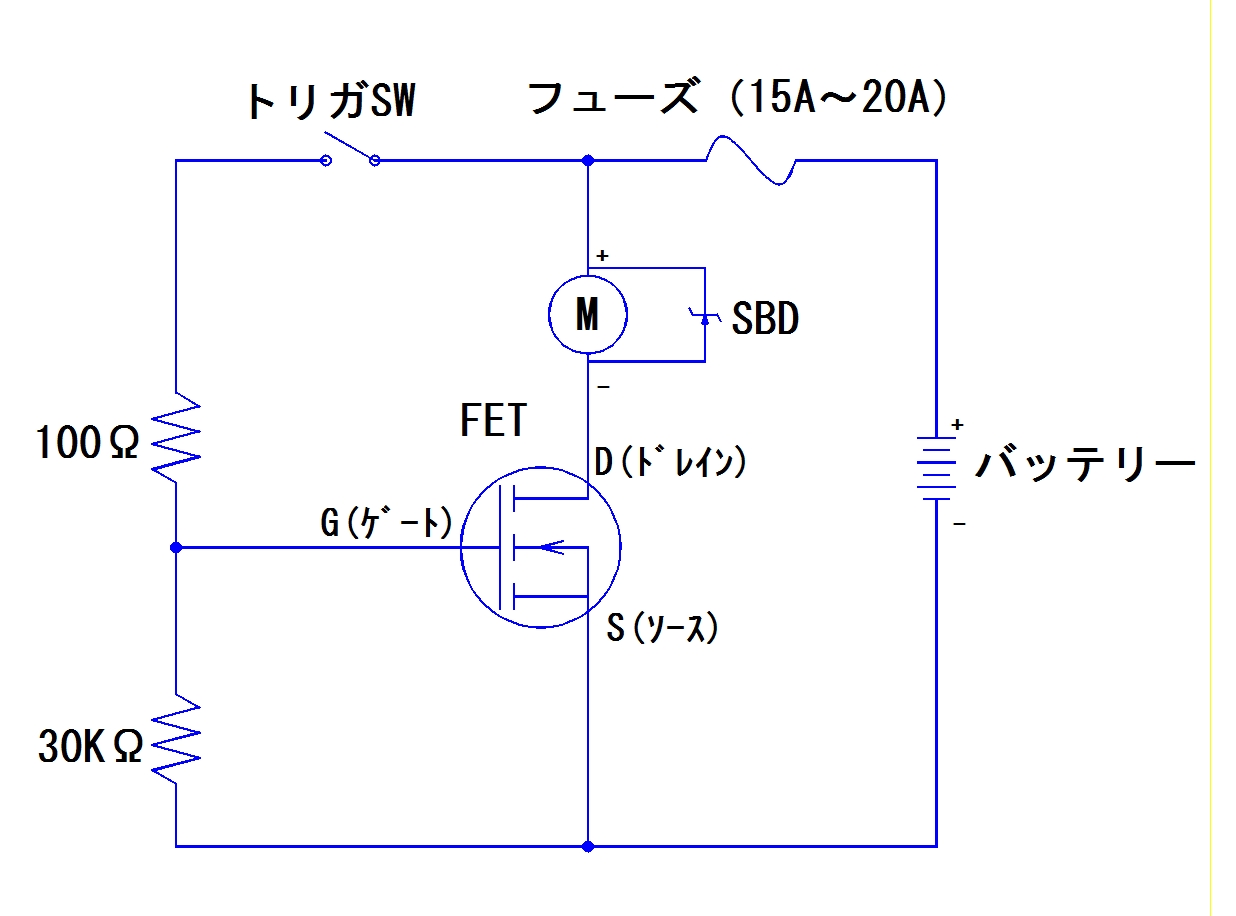
電動ガンのFET回路図を・・・調べる

SBDは簡単に作れるけどさすがにFETになると色々いる。
さて『電動ガン FET』で色々検索すると出てきます。
まずは基本的な回路がこれ

この回路で駆動が可能な電動ガンは基本ノーマルかな
部品の型番は色々検索すると出てきますので割愛させて頂きます
私は秋月電子通商(http://akizukidenshi.com/catalog/top.aspx)で入手
パワーMOSFETで探せば使えそうな物が見つかります、私は40V195Aで1個260円をチョイス
抵抗は1/2Wカーボン抵抗で十分かな?1袋100個入り100円
SBDはSR54F(40V5A)10個250円これは実績があります。
私の電動ガンに友だちの電動ガンに使用して今のところ問題は出ていません。
配線はシリコン18Gを使うかFETテフロン線を使います。
さてフューズもガラス管よりいまどきの物に・・・ミニ平型(自動車用)

次回は、いよいよ製作に・・・・とりあえずメカBOXの脱着が簡単で隙間のあるP90で
けどまだ部品がそろわないもう少し待たないと届かない

12月9日一部文章修正

拍手[0回]

PR

悪友のステアーAUGの巻き

私管理人と息子そして悪友の3人でCQBフィールドの1周年ゲームに参戦
管理人の手持ちGANをフル動員していきました。
そして・・・・
悪友はAUGをショートバレル化を決意・・・
そこで部品を探しました・・・
KM企画が6年ほど前にショートバレル+ハイダーを出していましたが今は廃盤・・・
ノーマルバレルの加工をするか、現行のハイサイクルのフロント部分を移植
結局、某オークションで発見

それが下のショートバレル組み込み済みの入手したAUGそれなりの程度
サクサクと作動の確認
 
GE700モータですのでこの程度かな?
スプリングも多少へたっていると思う
まずは分解とGE1000に換装です。
  
若干セクタギヤがへたり気味
トルク・速度が上がっているので気になるがモータピニオン調整だけで・・・・
数回の試射、嫌な音が以降弾は発射されません((+_+))オイオイ
案の定セクタギヤは昇天されました・・・・・・(T_T)/~~~

早々に予備の新品に交換、結果
 
ウンウン上出来サイクルは思いの通り
後は初速をアップするには
 
まずピストンヘッドを後方吸気仕様に改造
あとバレルが短くなった分フルシリンダから通称加速シリンダに改造
  
 印をつけ穴あけ
   
内径のバリ取、磨き、スプリングも手持ちのものに交換
そして組み立て
接点保護のため自作SBDを付けます
  
こんな感じに中は余裕があるのでOK
 
ムフフ、いい感じになったないつもの目標通り
サイクルが犠牲になった分、ばっちり初速アップ
マルイバイオBB弾0.2g使用で適正ホップの状態です。
この初速なら、0.25g弾を使っても大丈夫(と言ってもギリギリかな?)
いつものCQBフィールドならちょうど良いですね。

追加加工をもうひとつ・・・12/03追記
ついでにセミモードとセミ・フルモード(現在のハイサイクルと同じ様に)
ちょいとトリガーセレクタを加工

セフティー状態     セミモード      セミ・フルモード
作動は上記のようにはっきりわかります。

加工は赤矢印のように削る特に上側の段付きは少しづつ削り確実にセミのみになるように
下はセレクタがしっかり引っかかるようにほかと同じように・・・・

丸印のところにスプリングとボッチがあります(左右に)これを片側を外します。
フルまでトリガーを引くのが楽になります。

これで完成

マルイプロドットサイトを乗っけてみました。
チームアルマジロSPの完成です。
これで、しばらく遊んでもらいましょうか

次はAUGミリタリーの通常メンテをします。

拍手[1回]

悪友のエアガン・・・M92FSの巻き

まずはガスハンドガンの整備
マガジンにしっかりガスが保持できるか・・・漏れがないことです。
今は便利な世の中です、二トリル製の標準的なOリングならホームセンターで入手可能
大抵はOリングなどの交換で復活ですから
そこから基本的な分解
  
ここまで分解して摺動部の掃除とシリコングリスとオイルでの潤滑
このモデルはバレルの途中にホップアップ用のフラットな突き出しが固定で付くタイプ
チャンバーパッキンとこのホップ用パッキンを復活財(車のケミカル剤を利用)
弾性を取り戻します。
   
ホップアップパッキンを組むとこんな感じで突き出ます
ここをチャンバーから出た後のBB弾頭をこすりバックスピンを掛けるわけですな
0.2g弾では20m付近から多少浮き気味の弾道ですが素直に飛びます。
弾速は64.67mpsで、15m程度の範囲なら思ったところに打ち込めます。
連射してもコントロールは容易です。
動きもキビキビとなりました、予備マガジンもしっかり使えます。
ゲームのときはサイドアームとして十分使える感じです。
当時はホップの標準は0.25gだった記憶がありますが
テストはマルイのバイオ0.2g使用です。

  
当時の取説の内容、中々丁寧な表示のような感じを受けます。

  
使い込まれてメタルパーツの剥げが良い感じです。

お次のモデルで困ったことが・・・・

拍手[1回]

友達のエアーガン・・・

旧友と言えばよい響きですが・・・悪友かな?!(^^)!
古くは極悪改造エアーガンで遊んでいたころから遊んでいました。
外部エアーボンベにせっせとエアーを入れターミネータのごとく乱射
しかし
1991年4月26日 - 世界初の電動エアコッキングガンFA-MAS5.56-F1が東京マルイ(以下マルイ)から発売される
その手軽さ、安定性当時は目からうろこのGANでした(゜o゜)
早々に友達が一人早々にFA-MAS購入・・・・
私がトイッテクP90(エアーモデルの電動化)を購入
悪友はマルイのMP5SD6を
ガスハンドガンはと言うと固定バレルの10m程度がやっとのばかり
そこにリアルにブローバックするモデルが登場飛距離、命中精度は二の次ギミックを楽しみました。
そこにまたマルイがやってくれます。ホップ付き・・・当時改造カスタムでは一部出てきましたが
箱だしで、20m程の対人にバシバシヒットする優れもの(当時は感動物です)

まあ昔話はさておき
最近近場にCQBフィールドが出来たそこでまた再開となり整備を頼まれた・・・・
それかこの子達
  
 当時のウエスタンアームズのM92FS箱から取説までまだあることも凄いです。

  
マルイMP5SD6当時物これも取説すべてある・・当時のお試し0.25gBB弾もしっかり

  
マルイ絶版ステアーAUGミリタリーなんとタスコの2x1.5のスコープ内臓ハンドガードモデル
これまたしっかり取説、お試しBB弾までそろっている。
このころのモデルから、赤色のマズルキャップが付いている。

私としては、ガスガンは基本的メンテナンスしかしません。
基本チューニングの余地が少なく楽しくない。
せいぜいガスの吐出量のアップ、バレルの交換程度・・・
何せガス圧は使用状況、使用季節で変化するので、一定コンディションで一日使えない
と言うのが自論です、お叱り受けるでしょうがあくまで私の思い込みです。
ところが電動ガンは楽しいです、きっちり調整すればそれなりに効果が体感できる。
だからやめられませんね・・・

拍手[0回]

SBDをMP7A1に取り付け

前回リポ使用に伴って色々行いました。

接点保護のため今回はSBDを付けます。


さくさくと分解を進め、ギヤケースを取り出します。

自作SBDを準備コストは約100円

モーター端子に直接ハンダ付け少々の慣れが必要ですね。

さくっと組み立てテスト・・・問題なく動きました。

サイクルも上がって、セミの切れと言うかレスポンスも向上
こうなると、次なる欲が・・・・今回はこれで
次なる野望のパーツがそろうまで、友達依頼のAUGを整備しましょうか?

拍手[0回]